*Текущая стоимость 2 533,44 уже могла изменится. Что бы узнать актуальную цену и проверить наличие товара, нажмите "Добавить в корзину"






BF-440A двойной Температура контроллер
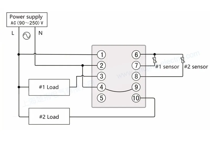
Описание продукта:
BF-440A эквивалентен двум независимым температурным контролем, каждый контроль температуры с независимым датчиком температуры, контроль независимого одностороннего релейного выхода, релейный выход с нормально открытым, нормально замкнутым. Он может измерять температуру от-45 °C до 140 °C и может контролировать постоянную температуру от-20 °C до 120 °C. С функцией [коррекции отклонения температуры], она может легко исправить ошибку при измерении температуры. Широкое поле питания дизайн, может работать адаптивно между AC80V ~ 240V источник питания, стабильный, надежный и прочный.
Основная функция
Два независимых измерения температуры, независимый контроль температуры
Односторонний контроль температуры, нормально открытый и нормально закрытый выход, двухсторонний контроль температуры, нормально открытый выход
Двухстороннее измерение температуры с функцией ручной коррекции отклонения
Настройка параметров функция отключения памяти
Импортный датчик температуры NTC 240K, стабильный и надежный
Измерение расстояния датчика температуры (100 метров) без компенсации,
Импульсный источник питания, стабильная работа в AC80-240V питания
Технические параметры
Товарный Упаковочный лист: 1. Основной блок 2. NTC (240K) температурная Чувствительная линия два 3. Руководство 4. Фиксированный кронштейн
Размер внешнего вида (мм): 58 (длина) × 78 (ширина) × 85 (толщина)
Установка и размеры (мм): крепление окна, размер отверстия: 51 (длина) × 71 (ширина)
Вес
Вес нетто: 0,276 кг
Вес брутто: 0,338 кг
Рабочая мощность и потребляемая мощность: AC (80 ~ 240) V, 2W
Рабочая среда: -10 ° C ~ 50 ° C
Режим отображения: светодиодный цифровой дисплей
Кнопка: кнопочная мембранная кнопка
Вход: два (240K) NTC термистор датчик температуры вход, диапазон измерения-20 °C ~ 120 °C
Выход: 1. Одностороннее реле, обычно открытое, нормально замкнутое Контактное регулирование температуры, двустороннее реле, обычно открытое Контактное регулирование температуры на выходе. 2. Сила тока каждого контакта составляет 6А для Резистивной нагрузки и 1А для индуктивной нагрузки. Он может управлять электрическим нагревом 1000 Вт или двигателем 200 Вт или водяным насосом. Для большей нагрузки он должен быть расширен контактором переменного тока.
Диапазон измерения: -20 ° C ~ 120 ° C
Диапазон установки: -20 °C ~ 120 °C
Диапазон управления: 20 ° C ~ 120 ° C
Другое параметры
1. Сигнальная линия датчика температуры может быть расширена с помощью обычных проводов на большое расстояние, и эффективный диапазон составляет 100 метров.
2. Установите параметры, чтобы выключить питание и сохранить память в течение длительного времени. 3. Разница температур составляет от 0 °C до 30 °C.
Вопрос: температура панели показывает "--", в чем дело?
Ответ: входной терминал датчика температуры резервуара для воды открыт. Пожалуйста, проверьте соединительную линию датчика или повторно подключите датчик.
В: температура панели показывает «привет», в чем дело?
Ответ: 1. Когда измеренная в настоящее время температура резервуара для воды превышает диапазон измерений самого контроллера;
2. Или датчик температуры резервуара для воды неисправен, пожалуйста, замените датчик.
В: сколько метров может быть увеличен датчик температуры?
Ответ: максимальное расстояние расширения сигнальной линии датчика температуры составляет 100 метров.
В: какой провод используется при удлинении датчика температуры?
Ответ: обычные электрические провода хороши, и лучше использовать провода с лучшими защитными свойствами.
Вопрос: Может ли линия датчика температуры направляться вместе с высоковольтной линией 220 В?
Ответ: нет, удлинитель датчика температуры-это сигнальная линия слабого тока. Он должен быть направлен в сильную ветку тока, и поддерживается безопасное расстояние не менее 10 см.
В: каково сопротивление датчика 440A?
Ответ: NTC 240K (B = 4537)
Вопрос: Может ли Электрический нагревательный стержень быть непосредственно подключен к выходному терминалу контроллера?
Ответ: если Мощность нагрева не превышает 1000 Вт, она может быть подключена напрямую, и нагрузка, превышающая эту мощность, должна быть соединена с контактором переменного тока.
Вопрос: выход 440A не подключен к электрическому нагреву, но заменен на тепловой насос источника воздуха для отопления, это возможно?
Ответ: Да, Подключите выход 440A к контактору переменного тока, а затем к тепловому насосу источника воздуха.
Вопрос: 440A является входом питания 220 В, может ли он быть подключен к выходному напряжению 12 В? Если да, как его забрать?
Ответ: выход напряжения 12 В может быть подключен, а промежуточные точки 3 и 9 подключены к входу напряжения 12 В, затем обычно открываются и нормально закрываются точки 4, 5, И 10-выходное напряжение 12 В.
Вопрос: Возможно ли подключение к электроприборам 380 В для нормально открытого нормально закрытого контактного выхода?
Ответ: нет, напряжение 380 В-это трехфазное электричество, которое не может быть подключено к нашему контактному переключателю. Он может быть преобразован с контактором переменного тока.
Вопрос: Можно ли использовать 440A в Солнечной системе для реализации фиксированного температурного разряда коллекторной пластины и вспомогательной функции нагрева резервуара для воды? Если да, то как это может быть достигнуто?
Ответ: это может быть достигнуто. Нормально замкнутая точка на одном выходе может использоваться для контроля постоянного температурного разряда коллекторной пластины, и нормально открытая точка второй линии может управлять вспомогательным нагревом резервуара для воды.
Вопрос: Есть ли нормально замкнутая точка для двустороннего выхода 440A? Чтобы контролировать постоянную температуру воды в двух резервуарах для воды, оба выхода должны контролироваться нормально замкнутой точкой. Как достичь этого?
Ответ: 440A имеет один нормально открытый нормально закрытый контактный выход и два релейных нормально открытых контактных выхода (не нормально замкнутая точка). Если обеим контурам требуется нормально замкнутая точка для контроля постоянного потока воды, можно использовать два одиночных контроллера выхода, таких как LC-220A +, BF-200A + или BF-D110A +.
Вопрос: Может ли 440A осуществить вспомогательное нагревание резервуара для воды и контроль температуры обратной воды трубопровода в то же время?
Ответ: Да, оба выхода контролируются нормально открытой точкой.